产品介绍:
SDA尚达金属防水透气阀属于新型防水透气组件,把防水透气膜通过压合、嵌入等形式,与金属、硅橡胶等其他材料结合,形成可以密闭的安装部件;能有效防止水、灰尘和其它污染,其透气性能可以平衡设备或产品的内外压差,提高寿命和可靠性,具有耐化学剂、耐高低温、抗老化和安装简单等特点。
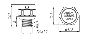
| 产品参数描述 | 产品尺寸 |
| 产品系列: 防水透气阀 | |
| 产品型号: SD-M6X1.0-6 | ![]() |
| 安装类型 : 螺纹式 | |
| 材质: 铝合金 | |
| 颜色: 本色 | |
| 防护等级: IP67/ IP68 | |
| 透气量: 30~800 ml/min@7KPa | |
| 阻燃等级: UL94 V-0 | |
| 工作温度: -40 ~120 ℃ | |
| 安装扭力: 0.6N.m | |
| 应用领域:汽车(电控、电驱、电池PACK)、电池包、光伏储能、电子通讯、LED户外灯具、安防设备等 | |
| 备注:SDA尚达公司遵承以市场价值为核心可根据客户要求对本公司产品(透气量、防护等级、颜色) 进行专案定制。 | |
| 产品优势: 1.结构强度高: 外壳采用铝合金、不锈钢等金属材料,精密加工而成,安装紧固程度和可靠性高。 2.性能稳定: 高分子e-PTFE 材料具有化学情性、热稳定性和机械柔韧性,可以满足苛刻的使用环境。 3.密封性强:可以有效防止水、粉尘和微小颗粒等异物进入壳体内部,保证了产品内部的元器件和工作环境防护等级可满足IP67/IP68。 4.透气性大: 可快速平衡密封部件的内外压差、降低密封件应力和散热,提升了部件的可靠性和使用寿命。 5.安装便捷: 安装设计采用公制螺纹标准,开设公制螺纹内孔/使用配套螺母旋紧即可。 |
|
| 工作原理说明:
防水透气阀使用膨化聚四氟乙烯e-PTFE作为防水透气膜体,其微观下是微孔状结构,通过气体与液体及灰尘颗粒的分子直径差,让气体分子可以流过,而液体、灰尘分子直径较大则无法流过,从而实现防水、防尘、散热过滤、泄压透气的功能。 | |
| 产品性能说明:
1.高分子膨体聚四氟乙烯微孔薄膜(e-PTFE),具有透气透湿性,密封性,高润滑,耐酸碱性,抗腐蚀,高耐温以及抗老化等特点。 2.其透气性可平衡汽车零部件,车灯,ECU电子控制单元,电池,电机,马达,传感器等密封壳体的压差降低密封条应力,同时具有散热的效果;提高了设备和产品使用寿命和可靠性。 3.其透湿性可在设备和产品工作时排出内部的水分子,降低相对湿度,达到减少凝露和维持工作条件。 4.其密封性可以有效地防止水、粉尘和微小颗粒等异物进入壳体内部,保证了内部的元器件和工作环境。 5.其化学稳定性和高润滑可确保使用寿命和可靠性,满足设备和产品的使用环境以及防护要求。 | |


