产品介绍
尚达SDA(e-PTFE)薄膜采用了膨体聚四氟乙烯拉伸均匀、实现三立体网状结构薄膜。
微孔直径在0.1-10μm,空气、水蒸气的分子0.0004μm,(e-PTFE)薄膜的孔径比气体直径大250-25000倍,因此气体可以通过, 而毛细雨的直径有500μm,比薄膜微孔直径大数百倍。
这些大小仅为一滴水两万分之一的微孔能防止水、污物和碎屑进入(e-PTFE)薄膜通过让空气自由进出密闭外壳来均衡压力并防止水、腐蚀液体、盐和颗粒物进入外壳并损坏密封设备内部,让我们的密封设备变得更可靠、更安全、更耐用。
| 名称 | 功能 | 材质 | 颜色 | 防护等级 | 孔径 (µm) | 透气量
@ 7KPa ml/cm .min | 厚度(µm) | 温度范围 | |
| SD-001高防
防水透气膜 | 疏水透气 | e-PTFE +PET | 白色 | IP67 | ≦0.22 | 1100-1400 | 180~200 | -50℃~150℃ | |
| 设计与尺寸 | 产品特点 |
![]() | 1.高性能ePTFE膜颗较高粒捕获率
2.入口压力低时流量大 ; 在微环境中散热 3.调节水分 ; 均衡压力 4.排斥水和油 ; 高固含量 ; 化学惰性
|
| 工作原理 | 工 作 原 理 示 意 图 |
| 尚达SDA 透气膜疏水疏油,其微孔结构让气体自由通过,能够平衡压差,同时阻止雨水、灰尘、油污及颗粒侵入。
尚达SDA 透气膜微孔比空气分子大700倍,确保实现可靠的透气量和压力平衡;微孔又比水滴小20,000倍,可有效阻隔液体、污物和碎屑进入。 SDA 透气膜可有效延长电子元件的使用寿命。在应用汽车零部件、户外电子设备等领域。 尚达SDA(e-PTFE)薄膜采用了膨体聚四氟乙烯拉伸均匀、实现三立体网状结构薄膜。微孔直径在0.1-10μm,空气、水蒸气的分子0.0004μm,(e-PTFE)薄膜的孔径比气体直径大250-25000倍,因此气体可以通过, 而毛细雨的直径有500μm,比薄膜微孔直径大数百倍。 这些大小仅为一滴水两万分之一的微孔能防止水、污物和碎屑进入(e-PTFE)薄膜通过让空气自由进出密闭外壳来均衡压力并防止水、腐蚀液体、盐和颗粒物进入外壳并损坏密封设备内部,让我们的密封设备变得更可靠、更安全、更耐用. | ![]() |
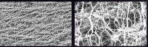
放大数倍后的防水透气膜 |
$(function () { var contentWidth = parseInt($('#smv_tem_44_15').css("width")); ///长图自适应屏幕 $('#smv_tem_44_15 img').each(function () { $(this).load(function () { var width = $(this).width(); if (width > contentWidth){ $(this).css("cssText", 'max-width:' + contentWidth + 'px !important;height:auto !important;'); } }); }); $('#smv_tem_44_15 table').each(function () { $(this).removeAttr("width"); if ($(this).width() > contentWidth) { $(this).css("width", "100%"); } });
var splitLength = $('#tem_44_15_txt').find("div").html().split("_ueditor_page_break_tag_"); if (splitLength.length > 1) { pagination('tem_44_15_txt', "首页", "末页", "上一页", "下一页", function (hisHeight) { if (typeof hisHeight == 'undefined') { $('#smv_tem_44_15').smrecompute(); } else { var tabContentHeight = $('#tem_44_15_txt').height(); $('#smv_tem_44_15').smrecompute("recomputeTo", [tabContentHeight, hisHeight]); } $('#smv_tem_44_15 img').each(function () { var src = $(this).attr("src"); if (typeof src != 'undefined' && src != "") { $(this).attr("src", ""); $(this)[0].onload = function () { $('#smv_tem_44_15').smrecompute(); }; $(this).attr("src", src); } }); showBigImg_tem_44_15(); }); } else { $('#smv_tem_44_15 img').each(function () { var src = $(this).attr("src"); if (typeof src != 'undefined' && src != "") { $(this).attr("src", ""); $(this)[0].onload = function () { $('#smv_tem_44_15').smrecompute(); }; $(this).attr("src", src); } }); showBigImg_tem_44_15(); }
xwezhan.cssUeditorTale(); });
function showBigImg_tem_44_15() { if (false) { var bigImageArray = []; $('#smv_tem_44_15 img').each(function () { if ($(this).parents("a").length == 0) { var srcStr = $(this).attr("src"); $(this).lzpreview({ cssLink: '/Content/css/atlas-preview.css', pageSize: 1,//每页最大图片数 imgUrl: [srcStr], imgAlt: [''], imgLink: ['javascript:void(0)'], imgTarget: [''], itemSelect: $(this), arrow: false, thumbnail: false }); } }); } }






