产品介绍
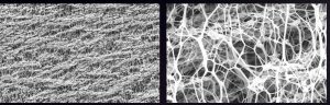
尚达SDA(e-PTFE)薄膜采用了膨体聚四氟乙烯拉伸均匀、实现三立体网状结构薄膜。
微孔直径在0.1-10μm,空气、水蒸气的分子0.0004μm,(e-PTFE)薄膜的孔径比气体直径大250-25000倍,因此气体可以通过, 而毛细雨的直径有500μm,比薄膜微孔直径大数百倍。
这些大小仅为一滴水两万分之一的微孔能防止水、污物和碎屑进入(e-PTFE)薄膜通过让空气自由进出密闭外壳来均衡压力并防止水、腐蚀液体、盐和颗粒物进入外壳并损坏密封设备内部,让我们的密封设备变得更可靠、更安全、更耐用。
微孔直径在0.1-10μm,空气、水蒸气的分子0.0004μm,(e-PTFE)薄膜的孔径比气体直径大250-25000倍,因此气体可以通过, 而毛细雨的直径有500μm,比薄膜微孔直径大数百倍。
这些大小仅为一滴水两万分之一的微孔能防止水、污物和碎屑进入(e-PTFE)薄膜通过让空气自由进出密闭外壳来均衡压力并防止水、腐蚀液体、盐和颗粒物进入外壳并损坏密封设备内部,让我们的密封设备变得更可靠、更安全、更耐用。
| 名称 | 功能 | 材质 | 颜色 | 防护等级 | 孔径 (µm) | 透气量 @ 7KPa ml/cm .min | 厚度(µm) | 温度范围 | |
| SD-002防水透气膜 | 疏水透气 | e-PTFE +PET | 白色 | IP67 | ≦0.22 | 2000-2500 | 180~200 | -50℃~150℃ | |
| 设计与尺寸 | 产品特点 |
![]() |
1.高性能ePTFE膜颗较高粒捕获率
2.入口压力低时流量大 ; 在微环境中散热 3.调节水分 ; 均衡压力 4.排斥水和油 ; 高固含量 ; 化学惰性
|
| 工作原理 | 工 作 原 理 示 意 图 |
| 尚达SDA 透气膜疏水疏油,其微孔结构让气体自由通过,能够平衡压差,同时阻止雨水、灰尘、油污及颗粒侵入。
尚达SDA 透气膜微孔比空气分子大700倍,确保实现可靠的透气量和压力平衡;微孔又比水滴小20,000倍,可有效阻隔液体、污物和碎屑进入。 SDA 透气膜可有效延长电子元件的使用寿命。在应用汽车零部件、户外电子设备等领域。 尚达SDA(e-PTFE)薄膜采用了膨体聚四氟乙烯拉伸均匀、实现三立体网状结构薄膜。微孔直径在0.1-10μm,空气、水蒸气的分子0.0004μm,(e-PTFE)薄膜的孔径比气体直径大250-25000倍,因此气体可以通过, 而毛细雨的直径有500μm,比薄膜微孔直径大数百倍。 这些大小仅为一滴水两万分之一的微孔能防止水、污物和碎屑进入(e-PTFE)薄膜通过让空气自由进出密闭外壳来均衡压力并防止水、腐蚀液体、盐和颗粒物进入外壳并损坏密封设备内部,让我们的密封设备变得更可靠、更安全、更耐用. | ![]() |
放大数倍后的防水透气膜 |






